轴承专区
Bearings Center
SC 80 ES轴承-SKF SC 80 ES轴承尺寸、图纸、价格
SKF SC 80 ES轴承
| 产品名称: | SC 80 ES轴承 | 品牌: | SKF |
|---|---|---|---|
| 类型: | SKF轴承 > 球面滑动轴承和杆端关节轴承 > 需维护的杆端关节轴承 | ||
| 描述: | SC 80 ES轴承是【SKF轴承 > 球面滑动轴承和杆端关节轴承 > 需维护的杆端关节轴承】的型号,主要用在建筑机械、差速器小齿轮轴、燃汽轮机、小齿轮轴、各类产业用减速机、机床主轴、成形机、电子、挖掘机、焊接机器人等各大领域 | ||
电话/微信:138-8949-5179
SKF SC 80 ES轴承详细信息
SC 80 ES轴承是【SKF轴承 > 球面滑动轴承和杆端关节轴承 > 需维护的杆端关节轴承】的型号,主要用在建筑机械、差速器小齿轮轴、燃汽轮机、小齿轮轴、各类产业用减速机、机床主轴、成形机、电子、挖掘机、焊接机器人等各大领域。
SKF SC 80 ES轴承详细参数
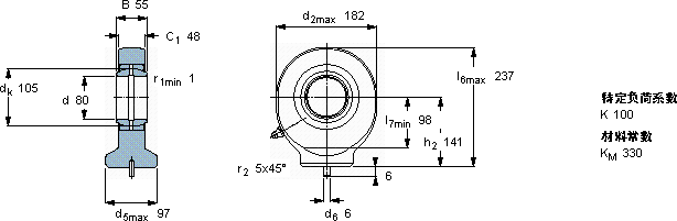
| 需要维护的杆端, 钢对钢,焊接柄 | ||||||||||
| 主要数据尺寸 | 角度倾的 | 基本负荷额定值 | 质量 | 型号 | ||||||
| 动态 | 静态 | |||||||||
| d | d2 | B | C1 | h2 | ± | C | C0 | |||
| 最大 | ||||||||||
| mm | 度数 | kN | kg | - | ||||||
| 80 | 182 | 55 | 48 | 141 | 6 | 400 | 550 | 9,70 | SC 80 ES | |
SKF SC 80 ES轴承尺寸图纸

