李工:138-8949-5179 刘工:135-0428-8802
型号查询
轴承型号   常见搜索: 6012轴承 6017轴承 2026轴承 6909轴承 6022轴承 6026轴承
型号查询 X

轴承专区

Bearings Center

22326 CCK/W33 + AHX 2326 G *轴承-SKF 22326 CCK/W33 + AHX 2326 G *轴承尺寸、图纸、价格

SKF 22326 CCK/W33 + AHX 2326 G *轴承

产品名称:22326 CCK/W33 + AHX 2326 G *轴承 品牌:SKF
类型:SKF轴承 > 滚动轴承 > 球面滚子轴承
描述:22326 CCK/W33 + AHX 2326 G *轴承是【SKF轴承 > 滚动轴承 > 球面滚子轴承】的型号,主要用在飞机喷气式发动机、小型汽车前轮、变速器、差速器、铁路车辆车轴、汽车转向销、燃机、啤酒、掘进机、厨具设备等各大领域

 电话/微信:138-8949-5179

SKF 22326 CCK/W33 + AHX 2326 G *轴承详细信息

22326 CCK/W33 + AHX 2326 G *轴承是【SKF轴承 > 滚动轴承 > 球面滚子轴承】的型号,主要用在飞机喷气式发动机、小型汽车前轮、变速器、差速器、铁路车辆车轴、汽车转向销、燃机、啤酒、掘进机、厨具设备等各大领域。

SKF 22326 CCK/W33 + AHX 2326 G *轴承详细参数

球面滚子轴承, 带退卸套的
主要数据尺寸基本负荷额定值疲劳负荷限值额定速度体积型号
动态静态参照速度限制速度轴承 +退卸套
d1DBCC0Pu
* - SKF Explorer 轴承
mmkNkNr/minkg-
12528093112013201141800240030,522326 CCK/W33 + AHX 2326 G *

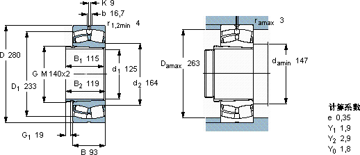
SKF 22326 CCK/W33 + AHX 2326 G *轴承尺寸图纸

李工:138-8949-5179

刘工:135-0428-8802

地址:辽宁省大连经济技术开发区现代城3栋-13-13号

在线客服系统