李工:138-8949-5179 刘工:135-0428-8802
型号查询
轴承型号   常见搜索: 6909轴承 6004轴承 6013轴承 nu轴承 6008轴承 6012轴承
型号查询 X

轴承专区

Bearings Center

SC 70 ES轴承-SKF SC 70 ES轴承尺寸、图纸、价格

SKF SC 70 ES轴承

产品名称:SC 70 ES轴承 品牌:SKF
类型:SKF轴承 > 球面滑动轴承和杆端关节轴承 > 需维护的杆端关节轴承
描述:SC 70 ES轴承是【SKF轴承 > 球面滑动轴承和杆端关节轴承 > 需维护的杆端关节轴承】的型号,主要用在仪表、离心分离机、中型及大型电动机、变速器、印刷机械、石油钻机转环、碾煤机、玩具、轻工机械、坦克等各大领域

 电话/微信:138-8949-5179

SKF SC 70 ES轴承详细信息

SC 70 ES轴承是【SKF轴承 > 球面滑动轴承和杆端关节轴承 > 需维护的杆端关节轴承】的型号,主要用在仪表、离心分离机、中型及大型电动机、变速器、印刷机械、石油钻机转环、碾煤机、玩具、轻工机械、坦克等各大领域。

SKF SC 70 ES轴承详细参数

需要维护的杆端, 钢对钢,焊接柄
主要数据尺寸角度倾的基本负荷额定值质量型号
动态静态
dd2BC1h2±CC0
最大
mm度数kNkg-
70162494311563154555,80SC 70 ES

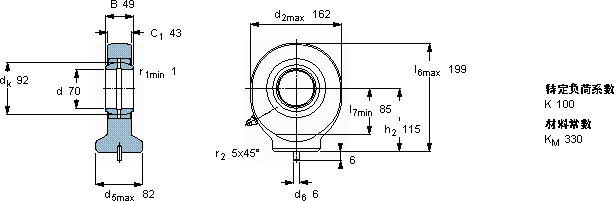
SKF SC 70 ES轴承尺寸图纸

李工:138-8949-5179

刘工:135-0428-8802

地址:辽宁省大连经济技术开发区现代城3栋-13-13号

在线客服系统