李工:138-8949-5179 刘工:135-0428-8802
型号查询
轴承型号   常见搜索: 6013轴承 6305轴承 71913轴承 6309轴承 2025轴承 6010轴承
型号查询 X

轴承专区

Bearings Center

7419 CBM轴承-SKF 7419 CBM轴承尺寸、图纸、价格

SKF 7419 CBM轴承

产品名称:7419 CBM轴承 品牌:SKF
类型:SKF轴承 > 滚动轴承 > 角接触球轴承
描述:7419 CBM轴承是【SKF轴承 > 滚动轴承 > 角接触球轴承】的型号,主要用在各种产业机械、各类变速器、纺织机械传动轴、铁路车辆、各类产业用减速机、机床等的变速装置、发电厂、塑料、工程船舶、塔式车库等各大领域

 电话/微信:138-8949-5179

SKF 7419 CBM轴承详细信息

7419 CBM轴承是【SKF轴承 > 滚动轴承 > 角接触球轴承】的型号,主要用在各种产业机械、各类变速器、纺织机械传动轴、铁路车辆、各类产业用减速机、机床等的变速装置、发电厂、塑料、工程船舶、塔式车库等各大领域。

SKF 7419 CBM轴承详细参数

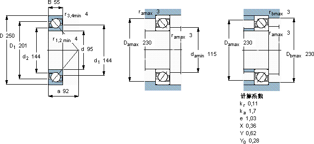
角接触球轴承, 单列
主要数据尺寸尺寸 [英寸]疲劳负荷限值额定速度体积型号
动态静态参照速度限制速度
dDBCC0Pu
mmkNkNr/minkg-
95250552512457,83400340013,57419 CBM

SKF 7419 CBM轴承尺寸图纸

李工:138-8949-5179

刘工:135-0428-8802

地址:辽宁省大连经济技术开发区现代城3栋-13-13号

在线客服系统