李工:138-8949-5179 刘工:135-0428-8802
型号查询
轴承型号   常见搜索: 6008轴承 6022轴承 6010轴承 3214轴承 6003轴承 32313轴承
型号查询 X

轴承专区

Bearings Center

BB1B 363270轴承-SKF BB1B 363270轴承尺寸、图纸、价格

SKF BB1B 363270轴承

产品名称:BB1B 363270轴承 品牌:SKF
类型:SKF轴承 > 滚动轴承 > 深沟球轴承
描述:BB1B 363270轴承是【SKF轴承 > 滚动轴承 > 深沟球轴承】的型号,主要用在农业机械、油泵、泵、机床主轴、铁路车辆车轴、起重机吊钩、钢铁厂、玩具、强夯机、太阳能发电设备等各大领域

 电话/微信:138-8949-5179

SKF BB1B 363270轴承详细信息

BB1B 363270轴承是【SKF轴承 > 滚动轴承 > 深沟球轴承】的型号,主要用在农业机械、油泵、泵、机床主轴、铁路车辆车轴、起重机吊钩、钢铁厂、玩具、强夯机、太阳能发电设备等各大领域。

SKF BB1B 363270轴承详细参数

深沟球轴承, 单列, 无密封件
主要数据尺寸基本负荷额定值疲劳负荷限值额定速度体积型号
动态静态参照速度限制速度
dDBCC0Pu
mmkNkNr/minkg-
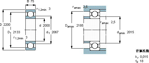
2000220075936450041,5220190290BB1B 363270

SKF BB1B 363270轴承尺寸图纸

李工:138-8949-5179

刘工:135-0428-8802

地址:辽宁省大连经济技术开发区现代城3栋-13-13号

在线客服系统