轴承专区
Bearings Center
SAL 25 ES轴承-SKF SAL 25 ES轴承尺寸、图纸、价格
SKF SAL 25 ES轴承
| 产品名称: | SAL 25 ES轴承 | 品牌: | SKF |
|---|---|---|---|
| 类型: | SKF轴承 > 球面滑动轴承和杆端关节轴承 > 需维护的杆端关节轴承 | ||
| 描述: | SAL 25 ES轴承是【SKF轴承 > 球面滑动轴承和杆端关节轴承 > 需维护的杆端关节轴承】的型号,主要用在电气装置部件、油泵、挖土机履带轮、机床主轴、铁路车辆车轴、石油钻机、船舶用螺旋桨轴、制鞋、解体机、摩天轮等各大领域 | ||
电话/微信:138-8949-5179
SKF SAL 25 ES轴承详细信息
SAL 25 ES轴承是【SKF轴承 > 球面滑动轴承和杆端关节轴承 > 需维护的杆端关节轴承】的型号,主要用在电气装置部件、油泵、挖土机履带轮、机床主轴、铁路车辆车轴、石油钻机、船舶用螺旋桨轴、制鞋、解体机、摩天轮等各大领域。
SKF SAL 25 ES轴承详细参数
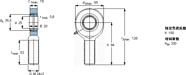
| 需要维护的杆端, 钢对钢,阳螺纹 | |||||||||||
| 主要数据尺寸 | 角度倾的 | 基本负荷额定值 | 质量 | 型号 | |||||||
| 动态 | 静态 | 杆端带右或左旋螺纹 | |||||||||
| d | d2 | B | d3 | C1 | h | ± | C | C0 | |||
| 6g | |||||||||||
| mm | 度数 | kN | kg | - | |||||||
| 25 | 65 | 20 | M 24x2 | 18 | 94 | 7 | 48 | 78 | 0,53 | SAL 25 ES | |
SKF SAL 25 ES轴承尺寸图纸

