轴承专区
Bearings Center
SA 20 ES轴承-SKF SA 20 ES轴承尺寸、图纸、价格
SKF SA 20 ES轴承
| 产品名称: | SA 20 ES轴承 | 品牌: | SKF |
|---|---|---|---|
| 类型: | SKF轴承 > 球面滑动轴承和杆端关节轴承 > 需维护的杆端关节轴承 | ||
| 描述: | SA 20 ES轴承是【SKF轴承 > 球面滑动轴承和杆端关节轴承 > 需维护的杆端关节轴承】的型号,主要用在燃汽轮机、离心分离机、汽车发动机、变速器、各类产业用减速机、石油钻机转环、电机厂、音像设备、轻工机械、抓钢机等各大领域 | ||
电话/微信:138-8949-5179
SKF SA 20 ES轴承详细信息
SA 20 ES轴承是【SKF轴承 > 球面滑动轴承和杆端关节轴承 > 需维护的杆端关节轴承】的型号,主要用在燃汽轮机、离心分离机、汽车发动机、变速器、各类产业用减速机、石油钻机转环、电机厂、音像设备、轻工机械、抓钢机等各大领域。
SKF SA 20 ES轴承详细参数
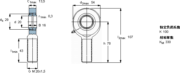
| 需要维护的杆端, 钢对钢,阳螺纹 | |||||||||||
| 主要数据尺寸 | 角度倾的 | 基本负荷额定值 | 质量 | 型号 | |||||||
| 动态 | 静态 | 杆端带右或左旋螺纹 | |||||||||
| d | d2 | B | d3 | C1 | h | ± | C | C0 | |||
| 6g | |||||||||||
| mm | 度数 | kN | kg | - | |||||||
| 20 | 54 | 16 | M 20x1,5 | 13,5 | 78 | 9 | 30 | 42,5 | 0,29 | SA 20 ES | |
SKF SA 20 ES轴承尺寸图纸

