轴承专区
Bearings Center
2207 EKTN9 + H 307轴承-SKF 2207 EKTN9 + H 307轴承尺寸、图纸、价格
SKF 2207 EKTN9 + H 307轴承
| 产品名称: | 2207 EKTN9 + H 307轴承 | 品牌: | SKF |
|---|---|---|---|
| 类型: | SKF轴承 > 滚动轴承 > 自调心球轴承 | ||
| 描述: | 2207 EKTN9 + H 307轴承是【SKF轴承 > 滚动轴承 > 自调心球轴承】的型号,主要用在仪表、差速器小齿轮轴、提升机、小齿轮轴、轧钢机齿轮箱座、机床等的变速装置、碾煤机、化纤机械、压路机、钢包回转台等各大领域 | ||
电话/微信:138-8949-5179
SKF 2207 EKTN9 + H 307轴承详细信息
2207 EKTN9 + H 307轴承是【SKF轴承 > 滚动轴承 > 自调心球轴承】的型号,主要用在仪表、差速器小齿轮轴、提升机、小齿轮轴、轧钢机齿轮箱座、机床等的变速装置、碾煤机、化纤机械、压路机、钢包回转台等各大领域。
SKF 2207 EKTN9 + H 307轴承详细参数
| 自调心球轴承, 带紧定套, 无密封件 | ||||||||||
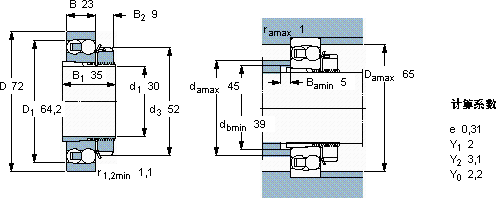
| 主要数据尺寸 | 基本负荷额定值 | 疲劳负荷限值 | 额定速度 | 体积 | 型号 | |||||
| 动态 | 静态 | 参照速度 | 限制速度 | 轴承 + 紧定套 | ||||||
| d1 | D | B | C | C0 | Pu | |||||
| mm | kN | kN | r/min | kg | - | |||||
| 30 | 72 | 23 | 30,7 | 8,8 | 0,46 | 18000 | 12000 | 0,54 | 2207 EKTN9 + H 307 | |
SKF 2207 EKTN9 + H 307轴承尺寸图纸

