轴承专区
Bearings Center
SA 12 E轴承-SKF SA 12 E轴承尺寸、图纸、价格
SKF SA 12 E轴承
| 产品名称: | SA 12 E轴承 | 品牌: | SKF |
|---|---|---|---|
| 类型: | SKF轴承 > 球面滑动轴承和杆端关节轴承 > 需维护的杆端关节轴承 | ||
| 描述: | SA 12 E轴承是【SKF轴承 > 球面滑动轴承和杆端关节轴承 > 需维护的杆端关节轴承】的型号,主要用在建筑机械、各类变速器、木工机械、铁路车辆、轧钢机齿轮箱座、机床主轴、成形机、塑料、混凝土机械、港口起重机等各大领域 | ||
电话/微信:138-8949-5179
SKF SA 12 E轴承详细信息
SA 12 E轴承是【SKF轴承 > 球面滑动轴承和杆端关节轴承 > 需维护的杆端关节轴承】的型号,主要用在建筑机械、各类变速器、木工机械、铁路车辆、轧钢机齿轮箱座、机床主轴、成形机、塑料、混凝土机械、港口起重机等各大领域。
SKF SA 12 E轴承详细参数
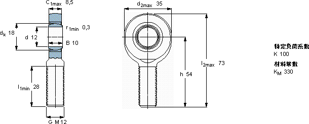
| 需要维护的杆端, 钢对钢,阳螺纹 | |||||||||||
| 主要数据尺寸 | 角度倾的 | 基本负荷额定值 | 质量 | 型号 | |||||||
| 动态 | 静态 | 杆端带右或左旋螺纹 | |||||||||
| d | d2 | B | d3 | C1 | h | ± | C | C0 | |||
| 6g | |||||||||||
| mm | 度数 | kN | kg | - | |||||||
| 12 | 35 | 10 | M 12 | 8,5 | 54 | 10 | 10,8 | 24,5 | 0,071 | SA 12 E | |
SKF SA 12 E轴承尺寸图纸

