轴承专区
Bearings Center
FYNT 100 L轴承-SKF FYNT 100 L轴承尺寸、图纸、价格
SKF FYNT 100 L轴承
| 产品名称: | FYNT 100 L轴承 | 品牌: | SKF |
|---|---|---|---|
| 类型: | SKF轴承 > 轴承单元 > 法兰滚子轴承单元 | ||
| 描述: | FYNT 100 L轴承是【SKF轴承 > 轴承单元 > 法兰滚子轴承单元】的型号,主要用在家用电器、机床主轴、变速器、汽车、轧钢机辊道子、耕耘机、塔吊、陶瓷机械、平地机、塔式车库等各大领域 | ||
电话/微信:138-8949-5179
SKF FYNT 100 L轴承详细信息
FYNT 100 L轴承是【SKF轴承 > 轴承单元 > 法兰滚子轴承单元】的型号,主要用在家用电器、机床主轴、变速器、汽车、轧钢机辊道子、耕耘机、塔吊、陶瓷机械、平地机、塔式车库等各大领域。
SKF FYNT 100 L轴承详细参数
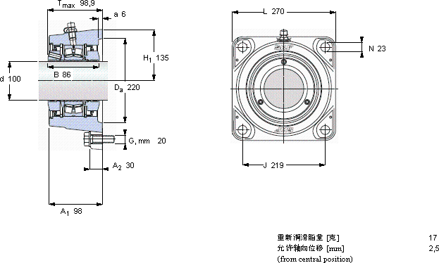
| 带法兰的滚子轴承单元, SKF ConCentra, non-locating units | ||||||||||||
| 尺寸 | 基本负荷额定值 | 疲劳负荷限值 | 限制速度 | 体积 | 型号 | 轴承,基本型号 | ||||||
| 动态 | 静态 | |||||||||||
| da | A1 | J | L | T | C | C0 | Pu | |||||
| mm | kN | kN | r/min | kg | - | - | ||||||
| 100 | 98 | 219 | 270 | 98,9 | 425 | 490 | 49 | 2000 | 23 | FYNT 100 L | 22220 E | |
SKF FYNT 100 L轴承尺寸图纸

