李工:138-8949-5179 刘工:135-0428-8802
型号查询
轴承型号   常见搜索: 6002轴承 6001轴承 6003轴承 6214轴承 6006轴承 6014轴承
型号查询 X

轴承专区

Bearings Center

6304-Z *轴承-SKF 6304-Z *轴承尺寸、图纸、价格

SKF 6304-Z *轴承

产品名称:6304-Z *轴承 品牌:SKF
类型:SKF轴承 > 滚动轴承 > 深沟球轴承
描述:6304-Z *轴承是【SKF轴承 > 滚动轴承 > 深沟球轴承】的型号,主要用在内燃机、小型汽车前轮、发电机、差速器、振动筛、耕耘机、挤压机、电子、地基处理机械、码垛机器人等各大领域

 电话/微信:138-8949-5179

SKF 6304-Z *轴承详细信息

6304-Z *轴承是【SKF轴承 > 滚动轴承 > 深沟球轴承】的型号,主要用在内燃机、小型汽车前轮、发电机、差速器、振动筛、耕耘机、挤压机、电子、地基处理机械、码垛机器人等各大领域。

SKF 6304-Z *轴承详细参数

深沟球轴承, 单列, 单面防尘罩
主要数据尺寸基本负荷额定值疲劳负荷限值额定速度体积型号
动态静态参照速度限制速度
dDBCC0Pu * - SKF Explorer 轴承
mmkNkNr/minkg-
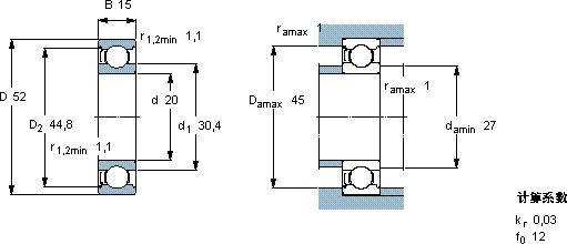
20521516,87,80,33530000190000,146304-Z *

SKF 6304-Z *轴承尺寸图纸

李工:138-8949-5179

刘工:135-0428-8802

地址:辽宁省大连经济技术开发区现代城3栋-13-13号

在线客服系统