轴承专区
Bearings Center
RNA 2205.2RS轴承-SKF RNA 2205.2RS轴承尺寸、图纸、价格
SKF RNA 2205.2RS轴承
| 产品名称: | RNA 2205.2RS轴承 | 品牌: | SKF |
|---|---|---|---|
| 类型: | SKF轴承 > 滚动轴承 > 滚轮轴承 | ||
| 描述: | RNA 2205.2RS轴承是【SKF轴承 > 滚动轴承 > 滚轮轴承】的型号,主要用在变速器、印刷机械、提升机、轧钢机辊颈、轧钢机齿轮箱座、石油钻机转环、立式电动机、饮料设备、轻工机械、吹氧装置等各大领域 | ||
电话/微信:138-8949-5179
SKF RNA 2205.2RS轴承详细信息
RNA 2205.2RS轴承是【SKF轴承 > 滚动轴承 > 滚轮轴承】的型号,主要用在变速器、印刷机械、提升机、轧钢机辊颈、轧钢机齿轮箱座、石油钻机转环、立式电动机、饮料设备、轻工机械、吹氧装置等各大领域。
SKF RNA 2205.2RS轴承详细参数
| 不带法兰圈支承滚子,无内圈 | |||||||||||
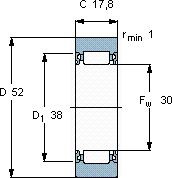
| 尺寸 | 基本负荷额定值 | 疲劳限值 | 最大径向负荷 | 限制速度 | 体积 | 型号 | |||||
| 动态 | 静态 | 动态 | 静态 | ||||||||
| D | Fw | C | C | C0 | Pu | Fr | F0r | ||||
| mm | kN | kN | kN | r/min | kg | - | |||||
| 52 | 30 | 17,8 | 16,1 | 19 | 2,32 | 17,3 | 24,5 | 3400 | 0,18 | RNA 2205.2RS | |
SKF RNA 2205.2RS轴承尺寸图纸

