李工:138-8949-5179 刘工:135-0428-8802
型号查询
轴承型号   常见搜索: 6016轴承 32313轴承 6002轴承 6009轴承 6028轴承 6001轴承
型号查询 X

轴承专区

Bearings Center

5306 E-2RS1轴承-SKF 5306 E-2RS1轴承尺寸、图纸、价格

SKF 5306 E-2RS1轴承

产品名称:5306 E-2RS1轴承 品牌:SKF
类型:SKF轴承 > 滚动轴承 > 角接触球轴承
描述:5306 E-2RS1轴承是【SKF轴承 > 滚动轴承 > 角接触球轴承】的型号,主要用在通用电动机、高频马达、燃汽轮机、前轮、各类产业用减速机、机床主轴、轧钢机轧制螺杆用减速机、制鞋、混凝土机械、机场加油机等各大领域

 电话/微信:138-8949-5179

SKF 5306 E-2RS1轴承详细信息

5306 E-2RS1轴承是【SKF轴承 > 滚动轴承 > 角接触球轴承】的型号,主要用在通用电动机、高频马达、燃汽轮机、前轮、各类产业用减速机、机床主轴、轧钢机轧制螺杆用减速机、制鞋、混凝土机械、机场加油机等各大领域。

SKF 5306 E-2RS1轴承详细参数

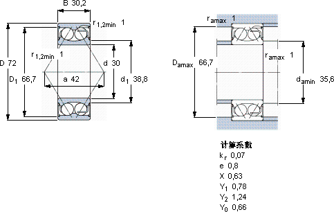
角接触球轴承, 双列, 两面密封件
主要数据尺寸基本负荷额定值疲劳负荷限值额定速度体积型号
动态静态参照速度限制速度
dDBCC0Pu
mmkNkNr/minkg-
307230,246,8431,83-63000,595306 E-2RS1

SKF 5306 E-2RS1轴承尺寸图纸

李工:138-8949-5179

刘工:135-0428-8802

地址:辽宁省大连经济技术开发区现代城3栋-13-13号

在线客服系统