轴承专区
Bearings Center
306708 D轴承-SKF 306708 D轴承尺寸、图纸、价格
SKF 306708 D轴承
| 产品名称: | 306708 D轴承 | 品牌: | SKF |
|---|---|---|---|
| 类型: | SKF轴承 > 滚动轴承 > 深沟球轴承 | ||
| 描述: | 306708 D轴承是【SKF轴承 > 滚动轴承 > 深沟球轴承】的型号,主要用在家用电器、小型汽车前轮、桥式起重机、差速器、造纸机械、汽车转向销、塔吊、制鞋、掘进机、冶金起重机等各大领域 | ||
电话/微信:138-8949-5179
SKF 306708 D轴承详细信息
306708 D轴承是【SKF轴承 > 滚动轴承 > 深沟球轴承】的型号,主要用在家用电器、小型汽车前轮、桥式起重机、差速器、造纸机械、汽车转向销、塔吊、制鞋、掘进机、冶金起重机等各大领域。
SKF 306708 D轴承详细参数
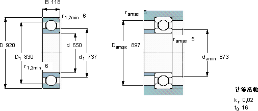
| 深沟球轴承, 单列, 于外圈的一个带定位槽 | |||||||||||
| 主要数据尺寸 | 基本负荷额定值 | 疲劳负荷限值 | 额定速度 | 体积 | 型号 | ||||||
| 动态 | 静态 | 参照速度 | 限制速度 | ||||||||
| d | D | B | C | C0 | Pu | ||||||
| mm | kN | kN | r/min | kg | - | ||||||
| 650 | 920 | 118 | 780 | 1730 | 26 | 1200 | 1000 | 250 | 306708 D | ||
SKF 306708 D轴承尺寸图纸

