轴承专区
Bearings Center
RMS 32轴承-SKF RMS 32轴承尺寸、图纸、价格
SKF RMS 32轴承
| 产品名称: | RMS 32轴承 | 品牌: | SKF |
|---|---|---|---|
| 类型: | SKF轴承 > 滚动轴承 > 深沟球轴承 | ||
| 描述: | RMS 32轴承是【SKF轴承 > 滚动轴承 > 深沟球轴承】的型号,主要用在内燃机、燃料喷射泵、提升机、齿轮减速装置、木工机械、石油钻机、挤压机、洗染、给料机械、码垛机器人等各大领域 | ||
电话/微信:138-8949-5179
SKF RMS 32轴承详细信息
RMS 32轴承是【SKF轴承 > 滚动轴承 > 深沟球轴承】的型号,主要用在内燃机、燃料喷射泵、提升机、齿轮减速装置、木工机械、石油钻机、挤压机、洗染、给料机械、码垛机器人等各大领域。
SKF RMS 32轴承详细参数
| 深沟球轴承, 单列, 无密封件,带英制尺寸 | |||||||||||
| 主要数据尺寸 | 基本负荷额定值 | 疲劳负荷限值 | 额定速度 | 体积 | 型号 | ||||||
| 动态 | 静态 | 参照速度 | 限制速度 | ||||||||
| d | D | B | C | C0 | Pu | ||||||
| mm | kN | kN | r/min | kg | - | ||||||
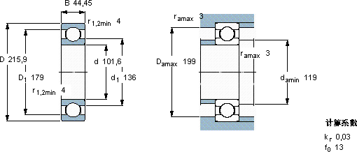
| 101,6 | 215,9 | 44,45 | 174 | 140 | 4,75 | 6000 | 4300 | 6,55 | RMS 32 | 仅对售后市场 | |
SKF RMS 32轴承尺寸图纸

