轴承专区
Bearings Center
BCSB 316586轴承-SKF BCSB 316586轴承尺寸、图纸、价格
SKF BCSB 316586轴承
| 产品名称: | BCSB 316586轴承 | 品牌: | SKF |
|---|---|---|---|
| 类型: | SKF轴承 > 滚动轴承 > 圆柱滚子轴承 | ||
| 描述: | BCSB 316586轴承是【SKF轴承 > 滚动轴承 > 圆柱滚子轴承】的型号,主要用在装卸搬运机械、差速器小齿轮轴、燃汽轮机、小齿轮轴、破碎机、机床主轴、矿山、精细化工机械、挖掘机、风力发电设备等各大领域 | ||
电话/微信:138-8949-5179
SKF BCSB 316586轴承详细信息
BCSB 316586轴承是【SKF轴承 > 滚动轴承 > 圆柱滚子轴承】的型号,主要用在装卸搬运机械、差速器小齿轮轴、燃汽轮机、小齿轮轴、破碎机、机床主轴、矿山、精细化工机械、挖掘机、风力发电设备等各大领域。
SKF BCSB 316586轴承详细参数
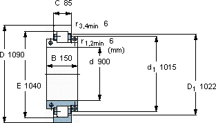
| 圆柱滚子轴承, 剖分式单列 | |||||||||||
| 主要数据尺寸 | 基本负荷额定值 | 疲劳负荷限值 | 径向内部游隙 | 体积 | 型号 | ||||||
| 动态 | 静态 | ||||||||||
| d | D | B | C | C | C0 | Pu | 最小 | 最大 | |||
| mm | kN | kN | mm | kg | - | ||||||
| 900 | 1090 | 150 | 85 | 1720 | 4250 | 275 | 0,4 | 0,52 | 240 | BCSB 316586 | |
SKF BCSB 316586轴承尺寸图纸

