轴承专区
Bearings Center
SIL 60 TXE-2LS轴承-SKF SIL 60 TXE-2LS轴承尺寸、图纸、价格
SKF SIL 60 TXE-2LS轴承
| 产品名称: | SIL 60 TXE-2LS轴承 | 品牌: | SKF |
|---|---|---|---|
| 类型: | SKF轴承 > 球面滑动轴承和杆端关节轴承 > 免维护的杆端关节轴承 | ||
| 描述: | SIL 60 TXE-2LS轴承是【SKF轴承 > 球面滑动轴承和杆端关节轴承 > 免维护的杆端关节轴承】的型号,主要用在飞机喷气式发动机、燃汽轮机、燃汽轮机、后轮、振动筛、起重机吊钩、燃机、玩具、强夯机、钢包回转台等各大领域 | ||
电话/微信:138-8949-5179
SKF SIL 60 TXE-2LS轴承详细信息
SIL 60 TXE-2LS轴承是【SKF轴承 > 球面滑动轴承和杆端关节轴承 > 免维护的杆端关节轴承】的型号,主要用在飞机喷气式发动机、燃汽轮机、燃汽轮机、后轮、振动筛、起重机吊钩、燃机、玩具、强夯机、钢包回转台等各大领域。
SKF SIL 60 TXE-2LS轴承详细参数
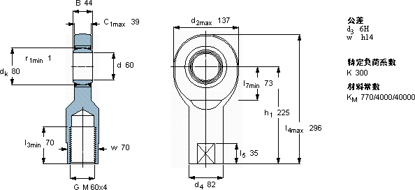
| 免维护杆端, 阴螺纹, 钢/PTFE织物 , 两面密封件 | |||||||||||
| 主要数据尺寸 | 角度倾的 | 基本负荷额定值 | 质量 | 型号 | |||||||
| 动态 | 静态 | 轴承座完全与密封件 | |||||||||
| d | d2 | B | d3 | C1 | h1 | ± | C | C0 | |||
| 6H | |||||||||||
| mm | 度数 | kN | kg | - | |||||||
| 60 | 137 | 44 | M 60x4 | 39 | 225 | 6 | 695 | 400 | 7,10 | SIL 60 TXE-2LS | |
SKF SIL 60 TXE-2LS轴承尺寸图纸

