轴承专区
Bearings Center
RMS 22轴承-SKF RMS 22轴承尺寸、图纸、价格
SKF RMS 22轴承
| 产品名称: | RMS 22轴承 | 品牌: | SKF |
|---|---|---|---|
| 类型: | SKF轴承 > 滚动轴承 > 深沟球轴承 | ||
| 描述: | RMS 22轴承是【SKF轴承 > 滚动轴承 > 深沟球轴承】的型号,主要用在后轮、油泵、汽车发动机、机床主轴、木工机械、石油钻机、水力发电机、化纤机械、给料机械、港口起重机等各大领域 | ||
电话/微信:138-8949-5179
SKF RMS 22轴承详细信息
RMS 22轴承是【SKF轴承 > 滚动轴承 > 深沟球轴承】的型号,主要用在后轮、油泵、汽车发动机、机床主轴、木工机械、石油钻机、水力发电机、化纤机械、给料机械、港口起重机等各大领域。
SKF RMS 22轴承详细参数
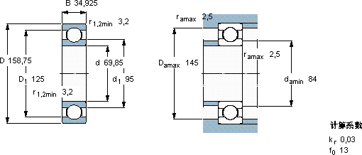
| 深沟球轴承, 单列, 无密封件,带英制尺寸 | |||||||||||
| 主要数据尺寸 | 基本负荷额定值 | 疲劳负荷限值 | 额定速度 | 体积 | 型号 | ||||||
| 动态 | 静态 | 参照速度 | 限制速度 | ||||||||
| d | D | B | C | C0 | Pu | ||||||
| mm | kN | kN | r/min | kg | - | ||||||
| 69,85 | 158,75 | 34,925 | 104 | 68 | 2,75 | 9000 | 6300 | 3,00 | RMS 22 | 仅对售后市场 | |
SKF RMS 22轴承尺寸图纸

