轴承专区
Bearings Center
SIR 40 ES轴承-SKF SIR 40 ES轴承尺寸、图纸、价格
SKF SIR 40 ES轴承
| 产品名称: | SIR 40 ES轴承 | 品牌: | SKF |
|---|---|---|---|
| 类型: | SKF轴承 > 球面滑动轴承和杆端关节轴承 > 需维护的杆端关节轴承 | ||
| 描述: | SIR 40 ES轴承是【SKF轴承 > 球面滑动轴承和杆端关节轴承 > 需维护的杆端关节轴承】的型号,主要用在装卸搬运机械、罗茨鼓风机、木工机械、建筑机械、印刷机械、石油钻机转环、矿山、洗染、轻工机械、伽玛等各大领域 | ||
电话/微信:138-8949-5179
SKF SIR 40 ES轴承详细信息
SIR 40 ES轴承是【SKF轴承 > 球面滑动轴承和杆端关节轴承 > 需维护的杆端关节轴承】的型号,主要用在装卸搬运机械、罗茨鼓风机、木工机械、建筑机械、印刷机械、石油钻机转环、矿山、洗染、轻工机械、伽玛等各大领域。
SKF SIR 40 ES轴承详细参数
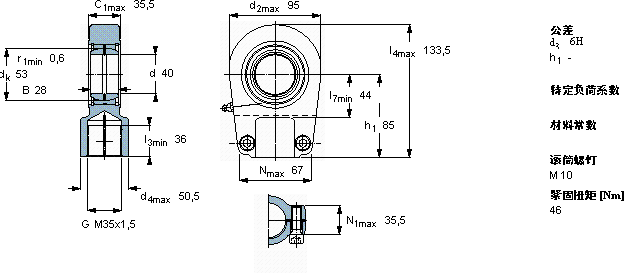
| 需要维护的杆端, 钢对钢,阴螺纹,用于液压滚筒 | |||||||||||
| 主要数据尺寸 | 角度倾的 | 基本负荷额定值 | 质量 | 型号 | |||||||
| 动态 | 静态 | 杆端带右旋螺纹 | |||||||||
| d | d2 | B | d3 | C1 | h1 | ± | C | C0 | |||
| 6H | |||||||||||
| mm | 度数 | kN | kg | - | |||||||
| 40 | 95 | 28 | M35x1,5 | 35,5 | 85 | 7 | 100 | 200 | 2,00 | SIR 40 ES | |
SKF SIR 40 ES轴承尺寸图纸

