轴承专区
Bearings Center
STO 50轴承-SKF STO 50轴承尺寸、图纸、价格
SKF STO 50轴承
| 产品名称: | STO 50轴承 | 品牌: | SKF |
|---|---|---|---|
| 类型: | SKF轴承 > 滚动轴承 > 滚轮轴承 | ||
| 描述: | STO 50轴承是【SKF轴承 > 滚动轴承 > 滚轮轴承】的型号,主要用在仪表、罗茨鼓风机、发电机、建筑机械、破碎机、石油钻机转环、碾煤机、烟草机械、轻工机械、厨具设备等各大领域 | ||
电话/微信:138-8949-5179
SKF STO 50轴承详细信息
STO 50轴承是【SKF轴承 > 滚动轴承 > 滚轮轴承】的型号,主要用在仪表、罗茨鼓风机、发电机、建筑机械、破碎机、石油钻机转环、碾煤机、烟草机械、轻工机械、厨具设备等各大领域。
SKF STO 50轴承详细参数
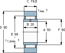
| 不带法兰圈支承滚子,有内圈 | |||||||||||
| 尺寸 | 基本负荷额定值 | 疲劳限值 | 最大径向负荷 | 限制速度 | 体积 | 型号 | |||||
| 动态 | 静态 | 动态 | 静态 | ||||||||
| D | d | C | C | C0 | Pu | Fr | F0r | ||||
| mm | kN | kN | kN | r/min | kg | - | |||||
| 90 | 50 | 19,8 | 26 | 45,5 | 5,7 | 34,5 | 50 | 1600 | 0,62 | STO 50 | |
SKF STO 50轴承尺寸图纸

