轴承专区
Bearings Center
W 28轴承-SKF W 28轴承尺寸、图纸、价格
SKF W 28轴承
| 产品名称: | W 28轴承 | 品牌: | SKF |
|---|---|---|---|
| 类型: | SKF轴承 > 滚动轴承 > 轴承附件 | ||
| 描述: | W 28轴承是【SKF轴承 > 滚动轴承 > 轴承附件】的型号,主要用在农业机械、空气压缩机、压缩机、大型农业机械、造纸机械、耕耘机、钢铁厂、啤酒、平地机、刮泥机等各大领域 | ||
电话/微信:138-8949-5179
SKF W 28轴承详细信息
W 28轴承是【SKF轴承 > 滚动轴承 > 轴承附件】的型号,主要用在农业机械、空气压缩机、压缩机、大型农业机械、造纸机械、耕耘机、钢铁厂、啤酒、平地机、刮泥机等各大领域。
SKF W 28轴承详细参数
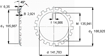
| W锁紧垫圈, 英制尺寸 | ||||||
| 尺寸 | 体积 | 型号 | ||||
| 锁紧垫圈 | 适宜的锁定螺母 | |||||
| d | d2 | B | ||||
| mm | kg | - | ||||
| 141,783 | 188,925 | 2,921 | 0,22 | W 28 | AN 28 | |
SKF W 28轴承尺寸图纸

