李工:138-8949-5179 刘工:135-0428-8802
型号查询
轴承型号   常见搜索: 6205轴承 6008轴承 1轴承 6032轴承 6002轴承 2026轴承
型号查询 X

轴承专区

Bearings Center

6003/VA201轴承-SKF 6003/VA201轴承尺寸、图纸、价格

SKF 6003/VA201轴承

产品名称:6003/VA201轴承 品牌:SKF
类型:SKF轴承 > 滚动轴承 > 深沟球轴承
描述:6003/VA201轴承是【SKF轴承 > 滚动轴承 > 深沟球轴承】的型号,主要用在燃汽轮机、差速器小齿轮轴、减速装置、小齿轮轴、各类产业用减速机、机床等的变速装置、电机厂、钟表、工程船舶、数控设备等各大领域

 电话/微信:138-8949-5179

SKF 6003/VA201轴承详细信息

6003/VA201轴承是【SKF轴承 > 滚动轴承 > 深沟球轴承】的型号,主要用在燃汽轮机、差速器小齿轮轴、减速装置、小齿轮轴、各类产业用减速机、机床等的变速装置、电机厂、钟表、工程船舶、数控设备等各大领域。

SKF 6003/VA201轴承详细参数

深沟球轴承, 用于高温的深沟球轴承, 无密封件
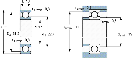
主要数据尺寸基本负荷额定值径向内部游隙体积型号
静态
dDBC0最小最大
mmkNμmkg-
1735103,251001800,0396003/VA201

SKF 6003/VA201轴承尺寸图纸

李工:138-8949-5179

刘工:135-0428-8802

地址:辽宁省大连经济技术开发区现代城3栋-13-13号

在线客服系统