李工:138-8949-5179 刘工:135-0428-8802
型号查询
轴承型号   常见搜索: 6022轴承 6001轴承 1轴承 6205轴承 6030轴承 2025轴承
型号查询 X

轴承专区

Bearings Center

RLS 4-2RS1轴承-SKF RLS 4-2RS1轴承尺寸、图纸、价格

SKF RLS 4-2RS1轴承

产品名称:RLS 4-2RS1轴承 品牌:SKF
类型:SKF轴承 > 滚动轴承 > 深沟球轴承
描述:RLS 4-2RS1轴承是【SKF轴承 > 滚动轴承 > 深沟球轴承】的型号,主要用在仪表、印刷机械、变速器、轧钢机辊颈、轧钢机齿轮箱座、制铁制钢机械、碾煤机、啤酒、起重机械、钢包回转台等各大领域

 电话/微信:138-8949-5179

SKF RLS 4-2RS1轴承详细信息

RLS 4-2RS1轴承是【SKF轴承 > 滚动轴承 > 深沟球轴承】的型号,主要用在仪表、印刷机械、变速器、轧钢机辊颈、轧钢机齿轮箱座、制铁制钢机械、碾煤机、啤酒、起重机械、钢包回转台等各大领域。

SKF RLS 4-2RS1轴承详细参数

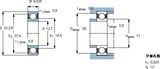
深沟球轴承, 单列, 两面密封件, 英制轴承
主要数据尺寸基本负荷额定值疲劳负荷限值额定速度体积型号
动态静态参照速度限制速度
dDBCC0Pu
mmkNkNr/minkg-
12,733,3379,5256,893,10,132-150000,037RLS 4-2RS1仅对售后市场

SKF RLS 4-2RS1轴承尺寸图纸

李工:138-8949-5179

刘工:135-0428-8802

地址:辽宁省大连经济技术开发区现代城3栋-13-13号

在线客服系统