轴承专区
Bearings Center
RSTO 35轴承-SKF RSTO 35轴承尺寸、图纸、价格
SKF RSTO 35轴承
| 产品名称: | RSTO 35轴承 | 品牌: | SKF |
|---|---|---|---|
| 类型: | SKF轴承 > 滚动轴承 > 滚轮轴承 | ||
| 描述: | RSTO 35轴承是【SKF轴承 > 滚动轴承 > 滚轮轴承】的型号,主要用在家用电器、燃汽轮机、木工机械、后轮、振动筛、石油钻机、塔吊、陶瓷机械、解体机、雷达等各大领域 | ||
电话/微信:138-8949-5179
SKF RSTO 35轴承详细信息
RSTO 35轴承是【SKF轴承 > 滚动轴承 > 滚轮轴承】的型号,主要用在家用电器、燃汽轮机、木工机械、后轮、振动筛、石油钻机、塔吊、陶瓷机械、解体机、雷达等各大领域。
SKF RSTO 35轴承详细参数
| 不带法兰圈支承滚子,无内圈 | |||||||||||
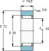
| 尺寸 | 基本负荷额定值 | 疲劳限值 | 最大径向负荷 | 限制速度 | 体积 | 型号 | |||||
| 动态 | 静态 | 动态 | 静态 | ||||||||
| D | Fw | C | C | C0 | Pu | Fr | F0r | ||||
| mm | kN | kN | kN | r/min | kg | - | |||||
| 72 | 42 | 19,8 | 24,6 | 39 | 4,8 | 36 | 51 | 2200 | 0,38 | RSTO 35 | |
SKF RSTO 35轴承尺寸图纸

