轴承专区
Bearings Center
SA 30 ES轴承-SKF SA 30 ES轴承尺寸、图纸、价格
SKF SA 30 ES轴承
| 产品名称: | SA 30 ES轴承 | 品牌: | SKF |
|---|---|---|---|
| 类型: | SKF轴承 > 球面滑动轴承和杆端关节轴承 > 需维护的杆端关节轴承 | ||
| 描述: | SA 30 ES轴承是【SKF轴承 > 球面滑动轴承和杆端关节轴承 > 需维护的杆端关节轴承】的型号,主要用在通用电动机、罗茨鼓风机、提升机、建筑机械、轧钢机齿轮箱座、制铁制钢机械、轧钢机轧制螺杆用减速机、烟草机械、堆取料机、机场加油机等各大领域 | ||
电话/微信:138-8949-5179
SKF SA 30 ES轴承详细信息
SA 30 ES轴承是【SKF轴承 > 球面滑动轴承和杆端关节轴承 > 需维护的杆端关节轴承】的型号,主要用在通用电动机、罗茨鼓风机、提升机、建筑机械、轧钢机齿轮箱座、制铁制钢机械、轧钢机轧制螺杆用减速机、烟草机械、堆取料机、机场加油机等各大领域。
SKF SA 30 ES轴承详细参数
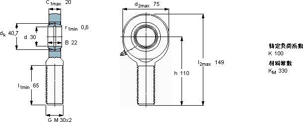
| 需要维护的杆端, 钢对钢,阳螺纹 | |||||||||||
| 主要数据尺寸 | 角度倾的 | 基本负荷额定值 | 质量 | 型号 | |||||||
| 动态 | 静态 | 杆端带右或左旋螺纹 | |||||||||
| d | d2 | B | d3 | C1 | h | ± | C | C0 | |||
| 6g | |||||||||||
| mm | 度数 | kN | kg | - | |||||||
| 30 | 75 | 22 | M 30x2 | 20 | 110 | 6 | 62 | 81,5 | 0,87 | SA 30 ES | |
SKF SA 30 ES轴承尺寸图纸

