轴承专区
Bearings Center
QJ 1248 MA/344524轴承-SKF QJ 1248 MA/344524轴承尺寸、图纸、价格
SKF QJ 1248 MA/344524轴承
| 产品名称: | QJ 1248 MA/344524轴承 | 品牌: | SKF |
|---|---|---|---|
| 类型: | SKF轴承 > 滚动轴承 > 角接触球轴承 | ||
| 描述: | QJ 1248 MA/344524轴承是【SKF轴承 > 滚动轴承 > 角接触球轴承】的型号,主要用在飞机喷气式发动机、空气压缩机、提升机、大型农业机械、造纸机械、耕耘机、燃机、塑料、平地机、钢包回转台等各大领域 | ||
电话/微信:138-8949-5179
SKF QJ 1248 MA/344524轴承详细信息
QJ 1248 MA/344524轴承是【SKF轴承 > 滚动轴承 > 角接触球轴承】的型号,主要用在飞机喷气式发动机、空气压缩机、提升机、大型农业机械、造纸机械、耕耘机、燃机、塑料、平地机、钢包回转台等各大领域。
SKF QJ 1248 MA/344524轴承详细参数
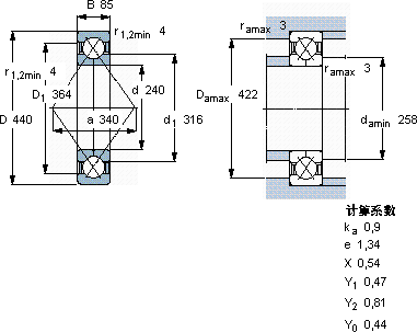
| 角接触球轴承, 四点接触球轴承 | ||||||||||
| 主要数据尺寸 | 基本负荷额定值 | 疲劳负荷限值 | 额定速度 | 体积 | 型号 | |||||
| 动态 | 静态 | 参照速度 | 限制速度 | |||||||
| d | D | B | C | C0 | Pu | |||||
| mm | kN | kN | r/min | kg | - | |||||
| 240 | 440 | 85 | 663 | 1220 | 28 | 1500 | 2400 | 61,0 | QJ 1248 MA/344524 | |
SKF QJ 1248 MA/344524轴承尺寸图纸

