轴承专区
Bearings Center
61816-2RZ轴承-SKF 61816-2RZ轴承尺寸、图纸、价格
SKF 61816-2RZ轴承
| 产品名称: | 61816-2RZ轴承 | 品牌: | SKF |
|---|---|---|---|
| 类型: | SKF轴承 > 滚动轴承 > 深沟球轴承 | ||
| 描述: | 61816-2RZ轴承是【SKF轴承 > 滚动轴承 > 深沟球轴承】的型号,主要用在后轮、燃汽轮机、提升机、后轮、轧钢机辊道子、石油钻机、水力发电机、音像设备、解体机、焊接机器人等各大领域 | ||
电话/微信:138-8949-5179
SKF 61816-2RZ轴承详细信息
61816-2RZ轴承是【SKF轴承 > 滚动轴承 > 深沟球轴承】的型号,主要用在后轮、燃汽轮机、提升机、后轮、轧钢机辊道子、石油钻机、水力发电机、音像设备、解体机、焊接机器人等各大领域。
SKF 61816-2RZ轴承详细参数
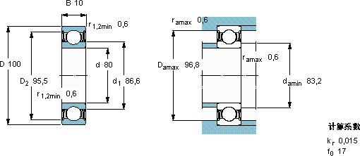
| 深沟球轴承, 单列, 低摩擦两面密封件 | |||||||||||
| 主要数据尺寸 | 基本负荷额定值 | 疲劳负荷限值 | 额定速度 | 体积 | 型号 | ||||||
| 动态 | 静态 | 参照速度 | 限制速度 | ||||||||
| d | D | B | C | C0 | Pu | ||||||
| mm | kN | kN | r/min | kg | - | ||||||
| 80 | 100 | 10 | 13 | 15 | 0,64 | 13000 | 6300 | 0,15 | 61816-2RZ | ||
SKF 61816-2RZ轴承尺寸图纸

