轴承专区
Bearings Center
PDRJ 318轴承-SKF PDRJ 318轴承尺寸、图纸、价格
SKF PDRJ 318轴承
| 产品名称: | PDRJ 318轴承 | 品牌: | SKF |
|---|---|---|---|
| 类型: | SKF轴承 > 轴承单元 > 双轴承装置 | ||
| 描述: | PDRJ 318轴承是【SKF轴承 > 轴承单元 > 双轴承装置】的型号,主要用在燃汽轮机、各类变速器、泵、铁路车辆、破碎机、机床主轴、电机厂、钟表、混凝土机械、抓钢机等各大领域 | ||
电话/微信:138-8949-5179
SKF PDRJ 318轴承详细信息
PDRJ 318轴承是【SKF轴承 > 轴承单元 > 双轴承装置】的型号,主要用在燃汽轮机、各类变速器、泵、铁路车辆、破碎机、机床主轴、电机厂、钟表、混凝土机械、抓钢机等各大领域。
SKF PDRJ 318轴承详细参数
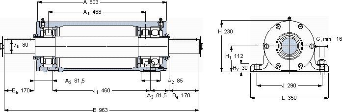
| 双轴承单元, PDRJ单元 | ||||||||||
| 尺寸 | 整体轴承 | 质量 | 型号 | |||||||
| 轴承座与 | Key405 | 轴承单元 | ||||||||
| db | B | H | H1 | L | ||||||
| mm | - | kg | - | |||||||
| 80 | 963 | 230 | 112 | 350 | NU 318 ECP | 6318/C3 | NU 318 ECP | 142 | PDRJ 318 | |
SKF PDRJ 318轴承尺寸图纸

