李工:138-8949-5179 刘工:135-0428-8802
型号查询
轴承型号   常见搜索: 6020轴承 2026轴承 23136轴承 6214轴承 32313轴承 6017轴承
型号查询 X

轴承专区

Bearings Center

PL 88轴承-SKF PL 88轴承尺寸、图纸、价格

SKF PL 88轴承

产品名称:PL 88轴承 品牌:SKF
类型:SKF轴承 > 滚动轴承 > 轴承附件
描述:PL 88轴承是【SKF轴承 > 滚动轴承 > 轴承附件】的型号,主要用在变速器、各类变速器、泵、铁路车辆、减速装置、机床主轴、立式电动机、钟表、挖掘机、机械手等各大领域

 电话/微信:138-8949-5179

SKF PL 88轴承详细信息

PL 88轴承是【SKF轴承 > 滚动轴承 > 轴承附件】的型号,主要用在变速器、各类变速器、泵、铁路车辆、减速装置、机床主轴、立式电动机、钟表、挖掘机、机械手等各大领域。

SKF PL 88轴承详细参数

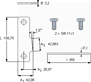
P锁紧片夹, 英制尺寸
尺寸体积型号
锁定板适宜的锁定螺母
LA1B
mmkg-
158,7542,063,20,27PL 88N 088

SKF PL 88轴承尺寸图纸

李工:138-8949-5179

刘工:135-0428-8802

地址:辽宁省大连经济技术开发区现代城3栋-13-13号

在线客服系统