轴承专区
Bearings Center
YET 204/W64轴承-SKF YET 204/W64轴承尺寸、图纸、价格
SKF YET 204/W64轴承
| 产品名称: | YET 204/W64轴承 | 品牌: | SKF |
|---|---|---|---|
| 类型: | SKF轴承 > 滚动轴承 > Y-轴承 | ||
| 描述: | YET 204/W64轴承是【SKF轴承 > 滚动轴承 > Y-轴承】的型号,主要用在后轮、燃汽轮机、纺织机械传动轴、后轮、振动筛、石油钻机、水力发电机、电子、给料机械、焊接机器人等各大领域 | ||
电话/微信:138-8949-5179
SKF YET 204/W64轴承详细信息
YET 204/W64轴承是【SKF轴承 > 滚动轴承 > Y-轴承】的型号,主要用在后轮、燃汽轮机、纺织机械传动轴、后轮、振动筛、石油钻机、水力发电机、电子、给料机械、焊接机器人等各大领域。
SKF YET 204/W64轴承详细参数
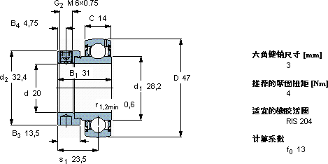
| Y-轴承, 含Solid Oil | ||||||||||
| 主要数据尺寸 | 基本负荷额定值 | 疲劳负荷限值 | 限制速度 | 体积 | 型号 | |||||
| 动态 | 静态 | |||||||||
| d | D | B (B1) | C | C | C0 | Pu | ||||
| mm | kN | kN | r/min | kg | - | |||||
| 20 | 47 | 31 | 14 | 12,7 | 6,55 | 0,28 | 1000 | 0,18 | YET 204/W64 | |
SKF YET 204/W64轴承尺寸图纸

