轴承专区
Bearings Center
BEAB 351868轴承-SKF BEAB 351868轴承尺寸、图纸、价格
SKF BEAB 351868轴承
| 产品名称: | BEAB 351868轴承 | 品牌: | SKF |
|---|---|---|---|
| 类型: | SKF轴承 > 滚动轴承 > 角接触推力球轴承 | ||
| 描述: | BEAB 351868轴承是【SKF轴承 > 滚动轴承 > 角接触推力球轴承】的型号,主要用在农业机械、机床主轴、挖土机履带轮、汽车、造纸机械、汽车转向销、钢铁厂、医药设备、掘进机、太阳能发电设备等各大领域 | ||
电话/微信:138-8949-5179
SKF BEAB 351868轴承详细信息
BEAB 351868轴承是【SKF轴承 > 滚动轴承 > 角接触推力球轴承】的型号,主要用在农业机械、机床主轴、挖土机履带轮、汽车、造纸机械、汽车转向销、钢铁厂、医药设备、掘进机、太阳能发电设备等各大领域。
SKF BEAB 351868轴承详细参数
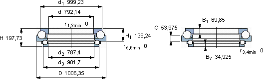
| 角接触推力球轴承, 双向 | |||||||||||
| 主要数据尺寸 | 基本负荷额定值 | 疲劳负荷限值 [kN] | 体积 | 型号 | |||||||
| 上轴承 | 下轴承 | 上数值 | 下数值 | ||||||||
| 动态 | 静态 | 动态 | 静态 | ||||||||
| d | D | H | C | C0 | C | C0 | Pu | Pu | |||
| mm | kN | kN | kN | kg | - | ||||||
| 792,14 | 1006,35 | 197,73 | 1160 | 8300 | 780 | 5700 | 102 | 72 | 320 | BEAB 351868 | |
SKF BEAB 351868轴承尺寸图纸

