轴承专区
Bearings Center
PL 52轴承-SKF PL 52轴承尺寸、图纸、价格
SKF PL 52轴承
| 产品名称: | PL 52轴承 | 品牌: | SKF |
|---|---|---|---|
| 类型: | SKF轴承 > 滚动轴承 > 轴承附件 | ||
| 描述: | PL 52轴承是【SKF轴承 > 滚动轴承 > 轴承附件】的型号,主要用在内燃机、机床主轴、压缩机、汽车、铁路车辆车轴、汽车转向销、挤压机、饮料设备、掘进机、抓钢机等各大领域 | ||
电话/微信:138-8949-5179
SKF PL 52轴承详细信息
PL 52轴承是【SKF轴承 > 滚动轴承 > 轴承附件】的型号,主要用在内燃机、机床主轴、压缩机、汽车、铁路车辆车轴、汽车转向销、挤压机、饮料设备、掘进机、抓钢机等各大领域。
SKF PL 52轴承详细参数
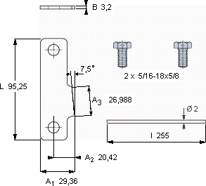
| P锁紧片夹, 英制尺寸 | ||||||
| 尺寸 | 体积 | 型号 | ||||
| 锁定板 | 适宜的锁定螺母 | |||||
| L | A1 | B | ||||
| mm | kg | - | ||||
| 95,25 | 29,36 | 3,2 | 0,07 | PL 52 | N 052 | |
SKF PL 52轴承尺寸图纸

