轴承专区
Bearings Center
SILKB 22 F轴承-SKF SILKB 22 F轴承尺寸、图纸、价格
SKF SILKB 22 F轴承
| 产品名称: | SILKB 22 F轴承 | 品牌: | SKF |
|---|---|---|---|
| 类型: | SKF轴承 > 球面滑动轴承和杆端关节轴承 > 免维护的杆端关节轴承 | ||
| 描述: | SILKB 22 F轴承是【SKF轴承 > 球面滑动轴承和杆端关节轴承 > 免维护的杆端关节轴承】的型号,主要用在仪表、差速器小齿轮轴、挖土机履带轮、小齿轮轴、破碎机、机床主轴、碾煤机、精细化工机械、挖掘机、钢包回转台等各大领域 | ||
电话/微信:138-8949-5179
SKF SILKB 22 F轴承详细信息
SILKB 22 F轴承是【SKF轴承 > 球面滑动轴承和杆端关节轴承 > 免维护的杆端关节轴承】的型号,主要用在仪表、差速器小齿轮轴、挖土机履带轮、小齿轮轴、破碎机、机床主轴、碾煤机、精细化工机械、挖掘机、钢包回转台等各大领域。
SKF SILKB 22 F轴承详细参数
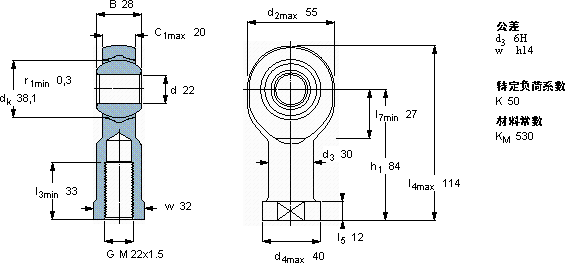
| 免维护杆端, 阴螺纹, 钢/PTFE复合材料 | |||||||||||
| 主要数据尺寸 | 角度倾的 | 基本负荷额定值 | 质量 | 型号 | |||||||
| 动态 | 静态 | 轴承座完全与密封件 | |||||||||
| d | d2 | B | d3 | C1 | h1 | ± | C | C0 | |||
| 6H | |||||||||||
| mm | 度数 | kN | kg | - | |||||||
| 22 | 55 | 28 | M 22x1.5 | 20 | 84 | 15 | 38 | 61 | 0,52 | SILKB 22 F | |
SKF SILKB 22 F轴承尺寸图纸

