李工:138-8949-5179 刘工:135-0428-8802
型号查询
轴承型号   常见搜索: 6309轴承 6002轴承 nu轴承 6018轴承 6205轴承 6014轴承
型号查询 X

轴承专区

Bearings Center

PF 1.3/16 WF轴承-SKF PF 1.3/16 WF轴承尺寸、图纸、价格

SKF PF 1.3/16 WF轴承

产品名称:PF 1.3/16 WF轴承 品牌:SKF
类型:SKF轴承 > 轴承单元 > Y-轴承法兰单元
描述:PF 1.3/16 WF轴承是【SKF轴承 > 轴承单元 > Y-轴承法兰单元】的型号,主要用在仪表、差速器小齿轮轴、挖土机履带轮、小齿轮轴、各类产业用减速机、机床等的变速装置、碾煤机、钟表、压路机、钢包回转台等各大领域

 电话/微信:138-8949-5179

SKF PF 1.3/16 WF轴承详细信息

PF 1.3/16 WF轴承是【SKF轴承 > 轴承单元 > Y-轴承法兰单元】的型号,主要用在仪表、差速器小齿轮轴、挖土机履带轮、小齿轮轴、各类产业用减速机、机床等的变速装置、碾煤机、钟表、压路机、钢包回转台等各大领域。

SKF PF 1.3/16 WF轴承详细参数

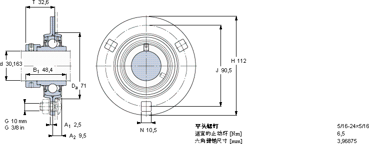
Y-型轴承带法兰单元, 冲压钢轴承座,偏心锁定轴环
尺寸基本负荷额定值可允许住质量轴承单元定购代号
动态静态房装载轴承轴承座轴承
dDaHJTCC0径向单元
mmkNkNkg-
30,1637111290,532,619,511,250,65PF 1.3/16 WFPF 62YEL 206-103-2F

SKF PF 1.3/16 WF轴承尺寸图纸

李工:138-8949-5179

刘工:135-0428-8802

地址:辽宁省大连经济技术开发区现代城3栋-13-13号

在线客服系统