李工:138-8949-5179 刘工:135-0428-8802
型号查询
轴承型号   常见搜索: 6900轴承 71913轴承 6017轴承 2025轴承 688a轴承 6909轴承
型号查询 X

轴承专区

Bearings Center

KMFE 17轴承-SKF KMFE 17轴承尺寸、图纸、价格

SKF KMFE 17轴承

产品名称:KMFE 17轴承 品牌:SKF
类型:SKF轴承 > 滚动轴承 > 轴承附件
描述:KMFE 17轴承是【SKF轴承 > 滚动轴承 > 轴承附件】的型号,主要用在变速器、高频马达、提升机、前轮、各类产业用减速机、机床等的变速装置、立式电动机、陶瓷机械、工程船舶、正面吊等各大领域

 电话/微信:138-8949-5179

SKF KMFE 17轴承详细信息

KMFE 17轴承是【SKF轴承 > 滚动轴承 > 轴承附件】的型号,主要用在变速器、高频马达、提升机、前轮、各类产业用减速机、机床等的变速装置、立式电动机、陶瓷机械、工程船舶、正面吊等各大领域。

SKF KMFE 17轴承详细参数

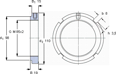
带锁紧螺钉的KMFE锁紧定螺母
螺纹尺寸尺寸轴向负荷体积 型号平头螺钉
承载能力 锁定螺母适宜的板手尺寸推荐的紧固扭矩
d3BG静态
-mm-kNkg--Nm
8511019M 85x21900,46KMFE 17HN 17M 818

SKF KMFE 17轴承尺寸图纸

李工:138-8949-5179

刘工:135-0428-8802

地址:辽宁省大连经济技术开发区现代城3栋-13-13号

在线客服系统