轴承专区
Bearings Center
6308/W64 *轴承-SKF 6308/W64 *轴承尺寸、图纸、价格
SKF 6308/W64 *轴承
| 产品名称: | 6308/W64 *轴承 | 品牌: | SKF |
|---|---|---|---|
| 类型: | SKF轴承 > 滚动轴承 > 深沟球轴承 | ||
| 描述: | 6308/W64 *轴承是【SKF轴承 > 滚动轴承 > 深沟球轴承】的型号,主要用在变速器、各类变速器、纺织机械传动轴、铁路车辆、各类产业用减速机、机床主轴、立式电动机、薄膜拉伸、挖掘机、机械手等各大领域 | ||
电话/微信:138-8949-5179
SKF 6308/W64 *轴承详细信息
6308/W64 *轴承是【SKF轴承 > 滚动轴承 > 深沟球轴承】的型号,主要用在变速器、各类变速器、纺织机械传动轴、铁路车辆、各类产业用减速机、机床主轴、立式电动机、薄膜拉伸、挖掘机、机械手等各大领域。
SKF 6308/W64 *轴承详细参数
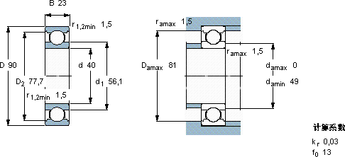
| 深沟球轴承, 单列, 含Solid Oil, 无密封件 | |||||||||
| 主要数据尺寸 | 基本负荷额定值 | 疲劳负荷限值 | 限制速度 | 体积 | 型号 | ||||
| 动态 | 静态 | ||||||||
| d | D | B | C | C0 | Pu | * - SKF Explorer 轴承 | |||
| mm | kN | kN | r/min | kg | - | ||||
| 40 | 90 | 23 | 42,3 | 24 | 1,02 | 4500 | 0,63 | 6308/W64 * | |
SKF 6308/W64 *轴承尺寸图纸

