李工:138-8949-5179 刘工:135-0428-8802
型号查询
轴承型号   常见搜索: 6030轴承 6011轴承 6018轴承 6304轴承 6028轴承 6900轴承
型号查询 X

轴承专区

Bearings Center

NJ 2868 ECMA轴承-SKF NJ 2868 ECMA轴承尺寸、图纸、价格

SKF NJ 2868 ECMA轴承

产品名称:NJ 2868 ECMA轴承 品牌:SKF
类型:SKF轴承 > 滚动轴承 > 圆柱滚子轴承
描述:NJ 2868 ECMA轴承是【SKF轴承 > 滚动轴承 > 圆柱滚子轴承】的型号,主要用在变速器、离心分离机、汽车发动机、变速器、轧钢机齿轮箱座、制铁制钢机械、立式电动机、医药设备、起重机械、机械手等各大领域

 电话/微信:138-8949-5179

SKF NJ 2868 ECMA轴承详细信息

NJ 2868 ECMA轴承是【SKF轴承 > 滚动轴承 > 圆柱滚子轴承】的型号,主要用在变速器、离心分离机、汽车发动机、变速器、轧钢机齿轮箱座、制铁制钢机械、立式电动机、医药设备、起重机械、机械手等各大领域。

SKF NJ 2868 ECMA轴承详细参数

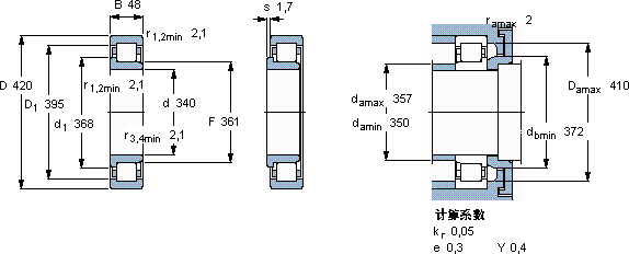
圆柱滚子轴承, 单列, NJ 设计
主要数据尺寸基本负荷额定值疲劳负荷限值额定速度体积型号适宜的斜挡圈
动态静态参照速度限制速度型号
dDBCC0Pu
mmkNkNr/minkg--
340420485121120981500200015,0NJ 2868 ECMA-

SKF NJ 2868 ECMA轴承尺寸图纸

李工:138-8949-5179

刘工:135-0428-8802

地址:辽宁省大连经济技术开发区现代城3栋-13-13号

在线客服系统