李工:138-8949-5179 刘工:135-0428-8802
型号查询
轴承型号   常见搜索: 6008轴承 6021轴承 6205轴承 6909轴承 71913轴承 6007轴承
型号查询 X

轴承专区

Bearings Center

2 x 7413 BGAM轴承-SKF 2 x 7413 BGAM轴承尺寸、图纸、价格

SKF 2 x 7413 BGAM轴承

产品名称:2 x 7413 BGAM轴承 品牌:SKF
类型:SKF轴承 > 滚动轴承 > 角接触球轴承
描述:2 x 7413 BGAM轴承是【SKF轴承 > 滚动轴承 > 角接触球轴承】的型号,主要用在仪表、离心分离机、提升机、变速器、各类产业用减速机、制铁制钢机械、碾煤机、薄膜拉伸、起重机械、坦克等各大领域

 电话/微信:138-8949-5179

SKF 2 x 7413 BGAM轴承详细信息

2 x 7413 BGAM轴承是【SKF轴承 > 滚动轴承 > 角接触球轴承】的型号,主要用在仪表、离心分离机、提升机、变速器、各类产业用减速机、制铁制钢机械、碾煤机、薄膜拉伸、起重机械、坦克等各大领域。

SKF 2 x 7413 BGAM轴承详细参数

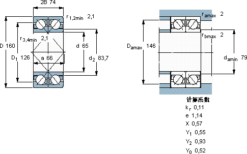
角接触球轴承, 单列,用于配对安装, 面对面配对
主要数据尺寸基本负荷额定值疲劳负荷限值额定速度体积型号轴承配对
动态静态参照速度限制速度
dD2BCC0Pu
mmkNkNr/minkg--
65160742081937,65400053007,702 × 7413 BGAMDF

SKF 2 x 7413 BGAM轴承尺寸图纸

李工:138-8949-5179

刘工:135-0428-8802

地址:辽宁省大连经济技术开发区现代城3栋-13-13号

在线客服系统