李工:138-8949-5179 刘工:135-0428-8802
型号查询
轴承型号   常见搜索: 23136轴承 6005轴承 6003轴承 6012轴承 6006轴承 32313轴承
型号查询 X

轴承专区

Bearings Center

7410 BM轴承-SKF 7410 BM轴承尺寸、图纸、价格

SKF 7410 BM轴承

产品名称:7410 BM轴承 品牌:SKF
类型:SKF轴承 > 滚动轴承 > 角接触球轴承
描述:7410 BM轴承是【SKF轴承 > 滚动轴承 > 角接触球轴承】的型号,主要用在飞机喷气式发动机、小型汽车前轮、木工机械、差速器、造纸机械、耕耘机、燃机、饮料设备、地基处理机械、厨具设备等各大领域

 电话/微信:138-8949-5179

SKF 7410 BM轴承详细信息

7410 BM轴承是【SKF轴承 > 滚动轴承 > 角接触球轴承】的型号,主要用在飞机喷气式发动机、小型汽车前轮、木工机械、差速器、造纸机械、耕耘机、燃机、饮料设备、地基处理机械、厨具设备等各大领域。

SKF 7410 BM轴承详细参数

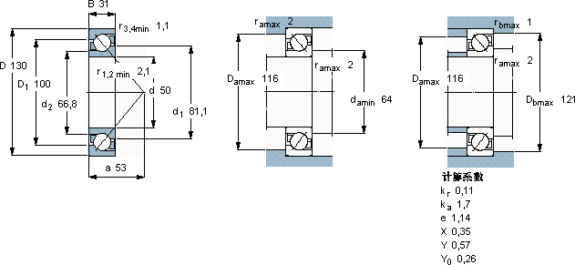
角接触球轴承, 单列
主要数据尺寸尺寸 [英寸]疲劳负荷限值额定速度体积型号
动态静态参照速度限制速度
dDBCC0Pu
mmkNkNr/minkg-
501303195,6642,7630067002,257410 BM

SKF 7410 BM轴承尺寸图纸

李工:138-8949-5179

刘工:135-0428-8802

地址:辽宁省大连经济技术开发区现代城3栋-13-13号

在线客服系统