轴承专区
Bearings Center
NA 2208.2RS轴承-SKF NA 2208.2RS轴承尺寸、图纸、价格
SKF NA 2208.2RS轴承
| 产品名称: | NA 2208.2RS轴承 | 品牌: | SKF |
|---|---|---|---|
| 类型: | SKF轴承 > 滚动轴承 > 滚轮轴承 | ||
| 描述: | NA 2208.2RS轴承是【SKF轴承 > 滚动轴承 > 滚轮轴承】的型号,主要用在通用电动机、差速器小齿轮轴、纺织机械传动轴、小齿轮轴、轧钢机齿轮箱座、机床等的变速装置、轧钢机轧制螺杆用减速机、洗染、工程船舶、刮泥机等各大领域 | ||
电话/微信:138-8949-5179
SKF NA 2208.2RS轴承详细信息
NA 2208.2RS轴承是【SKF轴承 > 滚动轴承 > 滚轮轴承】的型号,主要用在通用电动机、差速器小齿轮轴、纺织机械传动轴、小齿轮轴、轧钢机齿轮箱座、机床等的变速装置、轧钢机轧制螺杆用减速机、洗染、工程船舶、刮泥机等各大领域。
SKF NA 2208.2RS轴承详细参数
| 不带法兰圈支承滚子,有内圈 | |||||||||||
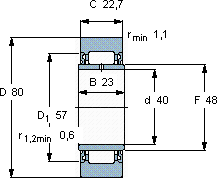
| 尺寸 | 基本负荷额定值 | 疲劳限值 | 最大径向负荷 | 限制速度 | 体积 | 型号 | |||||
| 动态 | 静态 | 动态 | 静态 | ||||||||
| D | d | C | C | C0 | Pu | Fr | F0r | ||||
| mm | kN | kN | kN | r/min | kg | - | |||||
| 80 | 40 | 22,7 | 27 | 39 | 4,9 | 37,5 | 53 | 1900 | 0,63 | NA 2208.2RS | |
SKF NA 2208.2RS轴承尺寸图纸

