轴承专区
Bearings Center
ICOS-D1B03-TN9 *轴承-SKF ICOS-D1B03-TN9 *轴承尺寸、图纸、价格
SKF ICOS-D1B03-TN9 *轴承
| 产品名称: | ICOS-D1B03-TN9 *轴承 | 品牌: | SKF |
|---|---|---|---|
| 类型: | SKF轴承 > 滚动轴承 > 深沟球轴承 | ||
| 描述: | ICOS-D1B03-TN9 *轴承是【SKF轴承 > 滚动轴承 > 深沟球轴承】的型号,主要用在农业机械、空气压缩机、泵、大型农业机械、轧钢机辊道子、耕耘机、钢铁厂、陶瓷机械、地基处理机械、刮泥机等各大领域 | ||
电话/微信:138-8949-5179
SKF ICOS-D1B03-TN9 *轴承详细信息
ICOS-D1B03-TN9 *轴承是【SKF轴承 > 滚动轴承 > 深沟球轴承】的型号,主要用在农业机械、空气压缩机、泵、大型农业机械、轧钢机辊道子、耕耘机、钢铁厂、陶瓷机械、地基处理机械、刮泥机等各大领域。
SKF ICOS-D1B03-TN9 *轴承详细参数
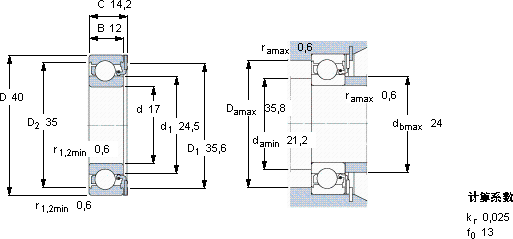
| 深沟球轴承, ICOS油封轴承单元 | ||||||||||
| 主要数据尺寸 | 基本负荷额定值 | 疲劳负荷限值 | 限制速度 | 体积 | 型号 | |||||
| 动态 | 静态 | |||||||||
| d | D | B | C | C | C0 | Pu | * - SKF Explorer 轴承 | |||
| mm | kN | kN | r/min | kg | - | |||||
| 17 | 40 | 12 | 14,2 | 9,95 | 4,75 | 0,2 | 11000 | 0,071 | ICOS-D1B03-TN9 * | |
SKF ICOS-D1B03-TN9 *轴承尺寸图纸

