李工:138-8949-5179 刘工:135-0428-8802
型号查询
轴承型号   常见搜索: 6007轴承 6030轴承 6013轴承 6014轴承 2025轴承 6305轴承
型号查询 X

轴承专区

Bearings Center

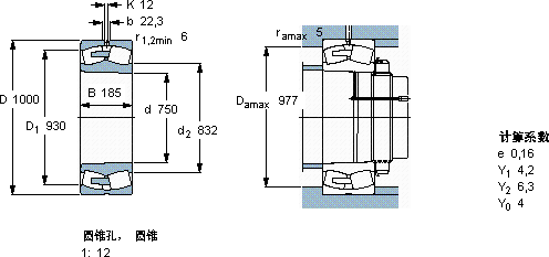
239/750 CAK/W33 *轴承-SKF 239/750 CAK/W33 *轴承尺寸、图纸、价格

SKF 239/750 CAK/W33 *轴承

产品名称:239/750 CAK/W33 *轴承 品牌:SKF
类型:SKF轴承 > 滚动轴承 > 球面滚子轴承
描述:239/750 CAK/W33 *轴承是【SKF轴承 > 滚动轴承 > 球面滚子轴承】的型号,主要用在各种产业机械、罗茨鼓风机、燃汽轮机、建筑机械、各类产业用减速机、石油钻机转环、发电厂、制鞋、轻工机械、冶金起重机等各大领域

 电话/微信:138-8949-5179

SKF 239/750 CAK/W33 *轴承详细信息

239/750 CAK/W33 *轴承是【SKF轴承 > 滚动轴承 > 球面滚子轴承】的型号,主要用在各种产业机械、罗茨鼓风机、燃汽轮机、建筑机械、各类产业用减速机、石油钻机转环、发电厂、制鞋、轻工机械、冶金起重机等各大领域。

SKF 239/750 CAK/W33 *轴承详细参数

球面滚子轴承, 圆柱和圆锥孔, 圆锥型内孔, 无密封件
主要数据尺寸基本负荷额定值疲劳负荷限值额定速度体积型号
动态静态参照速度限制速度
dDBCC0Pu * - SKF Explorer 轴承
mmkNkNr/minkg-
7501000185600013200815320560405239/750 CAK/W33 *

SKF 239/750 CAK/W33 *轴承尺寸图纸

李工:138-8949-5179

刘工:135-0428-8802

地址:辽宁省大连经济技术开发区现代城3栋-13-13号

在线客服系统