李工:138-8949-5179 刘工:135-0428-8802
型号查询
轴承型号   常见搜索: 6010轴承 6009轴承 6019轴承 6003轴承 6214轴承 6020轴承
型号查询 X

轴承专区

Bearings Center

HMVC 84E轴承-SKF HMVC 84E轴承尺寸、图纸、价格

SKF HMVC 84E轴承

产品名称:HMVC 84E轴承 品牌:SKF
类型:SKF轴承 > 滚动轴承 > 轴承附件
描述:HMVC 84E轴承是【SKF轴承 > 滚动轴承 > 轴承附件】的型号,主要用在装卸搬运机械、印刷机械、减速装置、轧钢机辊颈、各类产业用减速机、制铁制钢机械、矿山、化纤机械、起重机械、风力发电设备等各大领域

 电话/微信:138-8949-5179

SKF HMVC 84E轴承详细信息

HMVC 84E轴承是【SKF轴承 > 滚动轴承 > 轴承附件】的型号,主要用在装卸搬运机械、印刷机械、减速装置、轧钢机辊颈、各类产业用减速机、制铁制钢机械、矿山、化纤机械、起重机械、风力发电设备等各大领域。

SKF HMVC 84E轴承详细参数

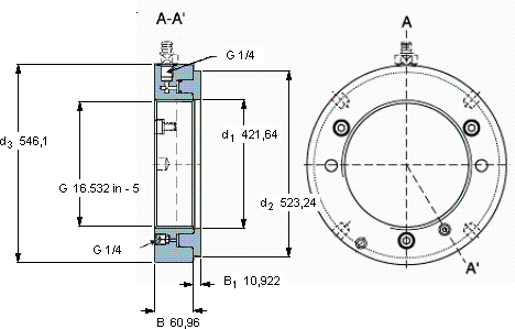
Hydraulic nuts, inch sizes
螺纹尺寸尺寸PermittedPiston area体积型号
piston
Gd1d2d3BB1displacement
mmmm (metric sizes)mmmmmm2 (metric sizes)kg-
in - threads/in (inch sizes)in2 (inch sizes)
416,86516.532 in - 5421,64523,24546,160,9610,92217,01862110HMVC 84E-

SKF HMVC 84E轴承尺寸图纸

李工:138-8949-5179

刘工:135-0428-8802

地址:辽宁省大连经济技术开发区现代城3栋-13-13号

在线客服系统