李工:138-8949-5179 刘工:135-0428-8802
型号查询
轴承型号   常见搜索: 617轴承 6309轴承 6008轴承 32313轴承 6007轴承 6010轴承
型号查询 X

轴承专区

Bearings Center

609 *轴承-SKF 609 *轴承尺寸、图纸、价格

SKF 609 *轴承

产品名称:609 *轴承 品牌:SKF
类型:SKF轴承 > 滚动轴承 > 深沟球轴承
描述:609 *轴承是【SKF轴承 > 滚动轴承 > 深沟球轴承】的型号,主要用在仪表、印刷机械、纺织机械传动轴、轧钢机辊颈、各类产业用减速机、石油钻机转环、碾煤机、饮料设备、凿岩机械、钢包回转台等各大领域

 电话/微信:138-8949-5179

SKF 609 *轴承详细信息

609 *轴承是【SKF轴承 > 滚动轴承 > 深沟球轴承】的型号,主要用在仪表、印刷机械、纺织机械传动轴、轧钢机辊颈、各类产业用减速机、石油钻机转环、碾煤机、饮料设备、凿岩机械、钢包回转台等各大领域。

SKF 609 *轴承详细参数

深沟球轴承, 单列, 无密封件
主要数据尺寸基本负荷额定值疲劳负荷限值额定速度体积型号
动态静态参照速度限制速度
dDBCC0Pu * - SKF Explorer 轴承
mmkNkNr/minkg-
92473,91,660,07170000430000,014609 *

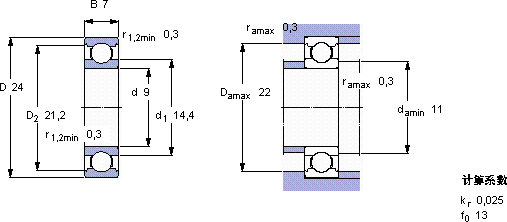
SKF 609 *轴承尺寸图纸

李工:138-8949-5179

刘工:135-0428-8802

地址:辽宁省大连经济技术开发区现代城3栋-13-13号

在线客服系统