轴承专区
Bearings Center
HMVC 40E轴承-SKF HMVC 40E轴承尺寸、图纸、价格
SKF HMVC 40E轴承
| 产品名称: | HMVC 40E轴承 | 品牌: | SKF |
|---|---|---|---|
| 类型: | SKF轴承 > 滚动轴承 > 轴承附件 | ||
| 描述: | HMVC 40E轴承是【SKF轴承 > 滚动轴承 > 轴承附件】的型号,主要用在飞机喷气式发动机、空气压缩机、减速装置、大型农业机械、造纸机械、耕耘机、燃机、医药设备、平地机、钢包回转台等各大领域 | ||
电话/微信:138-8949-5179
SKF HMVC 40E轴承详细信息
HMVC 40E轴承是【SKF轴承 > 滚动轴承 > 轴承附件】的型号,主要用在飞机喷气式发动机、空气压缩机、减速装置、大型农业机械、造纸机械、耕耘机、燃机、医药设备、平地机、钢包回转台等各大领域。
SKF HMVC 40E轴承详细参数
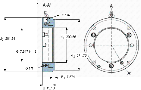
| Hydraulic nuts, inch sizes | ||||||||||||
| 螺纹尺寸 | 尺寸 | Permitted | Piston area | 体积 | 型号 | |||||||
| piston | ||||||||||||
| G | d1 | d2 | d3 | B | B1 | displacement | ||||||
| mm | mm (metric sizes) | mm | mm | mm2 (metric sizes) | kg | - | ||||||
| in - threads/in (inch sizes) | in2 (inch sizes) | |||||||||||
| 197,251 | 7.847 in - 8 | 200,66 | 271,78 | 281,94 | 43,18 | 7,874 | 7,874 | 19,4 | 25,4 | HMVC 40E | - | |
SKF HMVC 40E轴承尺寸图纸

