李工:138-8949-5179 刘工:135-0428-8802
型号查询
轴承型号   常见搜索: 6028轴承 6024轴承 6205轴承 6003轴承 6305轴承 23136轴承
型号查询 X

轴承专区

Bearings Center

HMVC 160E轴承-SKF HMVC 160E轴承尺寸、图纸、价格

SKF HMVC 160E轴承

产品名称:HMVC 160E轴承 品牌:SKF
类型:SKF轴承 > 滚动轴承 > 轴承附件
描述:HMVC 160E轴承是【SKF轴承 > 滚动轴承 > 轴承附件】的型号,主要用在通用电动机、印刷机械、中型及大型电动机、轧钢机辊颈、破碎机、石油钻机转环、轧钢机轧制螺杆用减速机、玩具、轻工机械、刮泥机等各大领域

 电话/微信:138-8949-5179

SKF HMVC 160E轴承详细信息

HMVC 160E轴承是【SKF轴承 > 滚动轴承 > 轴承附件】的型号,主要用在通用电动机、印刷机械、中型及大型电动机、轧钢机辊颈、破碎机、石油钻机转环、轧钢机轧制螺杆用减速机、玩具、轻工机械、刮泥机等各大领域。

SKF HMVC 160E轴承详细参数

Hydraulic nuts, inch sizes
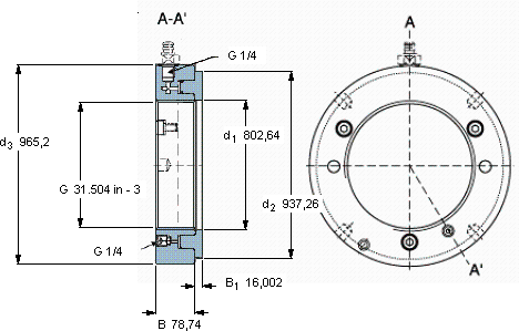
螺纹尺寸尺寸PermittedPiston area体积型号
piston
Gd1d2d3BB1displacement
mmmm (metric sizes)mmmmmm2 (metric sizes)kg-
in - threads/in (inch sizes)in2 (inch sizes)
795,45231.504 in - 3802,64937,26965,278,7416,00224,892161355HMVC 160E-

SKF HMVC 160E轴承尺寸图纸

李工:138-8949-5179

刘工:135-0428-8802

地址:辽宁省大连经济技术开发区现代城3栋-13-13号

在线客服系统