李工:138-8949-5179 刘工:135-0428-8802
型号查询
轴承型号   常见搜索: 6016轴承 6003轴承 6205轴承 6006轴承 6309轴承 2026轴承
型号查询 X

轴承专区

Bearings Center

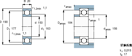
61830轴承-SKF 61830轴承尺寸、图纸、价格

SKF 61830轴承

产品名称:61830轴承 品牌:SKF
类型:SKF轴承 > 滚动轴承 > 深沟球轴承
描述:61830轴承是【SKF轴承 > 滚动轴承 > 深沟球轴承】的型号,主要用在农业机械、机床主轴、汽车发动机、汽车、铁路车辆车轴、耕耘机、钢铁厂、破碎、平地机、太阳能发电设备等各大领域

 电话/微信:138-8949-5179

SKF 61830轴承详细信息

61830轴承是【SKF轴承 > 滚动轴承 > 深沟球轴承】的型号,主要用在农业机械、机床主轴、汽车发动机、汽车、铁路车辆车轴、耕耘机、钢铁厂、破碎、平地机、太阳能发电设备等各大领域。

SKF 61830轴承详细参数

深沟球轴承, 单列, 无密封件
主要数据尺寸基本负荷额定值疲劳负荷限值额定速度体积型号
动态静态参照速度限制速度
dDBCC0Pu
mmkNkNr/minkg-
1501902048,8611,96670043001,4061830

SKF 61830轴承尺寸图纸

李工:138-8949-5179

刘工:135-0428-8802

地址:辽宁省大连经济技术开发区现代城3栋-13-13号

在线客服系统