轴承专区
Bearings Center
SCF 20 ES轴承-SKF SCF 20 ES轴承尺寸、图纸、价格
SKF SCF 20 ES轴承
| 产品名称: | SCF 20 ES轴承 | 品牌: | SKF |
|---|---|---|---|
| 类型: | SKF轴承 > 球面滑动轴承和杆端关节轴承 > 需维护的杆端关节轴承 | ||
| 描述: | SCF 20 ES轴承是【SKF轴承 > 球面滑动轴承和杆端关节轴承 > 需维护的杆端关节轴承】的型号,主要用在通用电动机、印刷机械、压缩机、轧钢机辊颈、减速装置、石油钻机转环、轧钢机轧制螺杆用减速机、钟表、轻工机械、刮泥机等各大领域 | ||
电话/微信:138-8949-5179
SKF SCF 20 ES轴承详细信息
SCF 20 ES轴承是【SKF轴承 > 球面滑动轴承和杆端关节轴承 > 需维护的杆端关节轴承】的型号,主要用在通用电动机、印刷机械、压缩机、轧钢机辊颈、减速装置、石油钻机转环、轧钢机轧制螺杆用减速机、钟表、轻工机械、刮泥机等各大领域。
SKF SCF 20 ES轴承详细参数
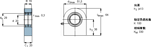
| 需要维护的杆端, 钢对钢,焊接柄 | ||||||||||
| 主要数据尺寸 | 角度倾的 | 基本负荷额定值 | 质量 | 型号 | ||||||
| 动态 | 静态 | |||||||||
| d | d2 | B | C1 | h2 | ± | C | C0 | |||
| 最大 | ||||||||||
| mm | 度数 | kN | kg | - | ||||||
| 20 | 51,5 | 16 | 20 | 38 | 9 | 30 | 63 | 0,35 | SCF 20 ES | |
SKF SCF 20 ES轴承尺寸图纸

