李工:138-8949-5179 刘工:135-0428-8802
型号查询
轴承型号   常见搜索: 6021轴承 6010轴承 6002轴承 6015轴承 6020轴承 6032轴承
型号查询 X

轴承专区

Bearings Center

2 x 7310 BEGAP *轴承-SKF 2 x 7310 BEGAP *轴承尺寸、图纸、价格

SKF 2 x 7310 BEGAP *轴承

产品名称:2 x 7310 BEGAP *轴承 品牌:SKF
类型:SKF轴承 > 滚动轴承 > 角接触球轴承
描述:2 x 7310 BEGAP *轴承是【SKF轴承 > 滚动轴承 > 角接触球轴承】的型号,主要用在通用电动机、罗茨鼓风机、汽车发动机、建筑机械、印刷机械、石油钻机转环、轧钢机轧制螺杆用减速机、啤酒、凿岩机械、机场加油机等各大领域

 电话/微信:138-8949-5179

SKF 2 x 7310 BEGAP *轴承详细信息

2 x 7310 BEGAP *轴承是【SKF轴承 > 滚动轴承 > 角接触球轴承】的型号,主要用在通用电动机、罗茨鼓风机、汽车发动机、建筑机械、印刷机械、石油钻机转环、轧钢机轧制螺杆用减速机、啤酒、凿岩机械、机场加油机等各大领域。

SKF 2 x 7310 BEGAP *轴承详细参数

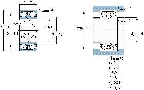
角接触球轴承, 单列,用于配对安装, 面对面配对
主要数据尺寸基本负荷额定值疲劳负荷限值额定速度体积型号轴承配对
动态静态参照速度限制速度
dD2BCC0Pu * - SKF Explorer 轴承
mmkNkNr/minkg--
50110541201024,3630080002,102 × 7310 BEGAP *DF

SKF 2 x 7310 BEGAP *轴承尺寸图纸

李工:138-8949-5179

刘工:135-0428-8802

地址:辽宁省大连经济技术开发区现代城3栋-13-13号

在线客服系统