轴承专区
Bearings Center
FYRP 1.11/16 H轴承-SKF FYRP 1.11/16 H轴承尺寸、图纸、价格
SKF FYRP 1.11/16 H轴承
| 产品名称: | FYRP 1.11/16 H轴承 | 品牌: | SKF |
|---|---|---|---|
| 类型: | SKF轴承 > 轴承单元 > 法兰滚子轴承单元 | ||
| 描述: | FYRP 1.11/16 H轴承是【SKF轴承 > 轴承单元 > 法兰滚子轴承单元】的型号,主要用在后轮、燃汽轮机、压缩机、后轮、振动筛、起重机吊钩、水力发电机、化纤机械、专用车、焊接机器人等各大领域 | ||
电话/微信:138-8949-5179
SKF FYRP 1.11/16 H轴承详细信息
FYRP 1.11/16 H轴承是【SKF轴承 > 轴承单元 > 法兰滚子轴承单元】的型号,主要用在后轮、燃汽轮机、压缩机、后轮、振动筛、起重机吊钩、水力发电机、化纤机械、专用车、焊接机器人等各大领域。
SKF FYRP 1.11/16 H轴承详细参数
| 带法兰的滚子轴承单元, 锁定套和插口,用于英制的轴, locating units, general conditions (double-lip seals) | |||||||||||
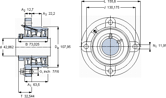
| 尺寸 | 尺寸 [英寸] | 限制速度 | 质量 | 型号 | 轴承,基本型号 | ||||||
| 动态 | 静态 | ||||||||||
| da | A1 | J | L | T | C | C0 | |||||
| mm | kN | r/min | kg | - | - | ||||||
| 42,862 | 63,5 | 130,175 | 155,6 | 32,544 | 77 | 88,1 | 2650 | 3,54 | FYRP 1.11/16 H | 22209 | |
SKF FYRP 1.11/16 H轴承尺寸图纸

